怎樣在線監測斷路器合分閘線圈電流?
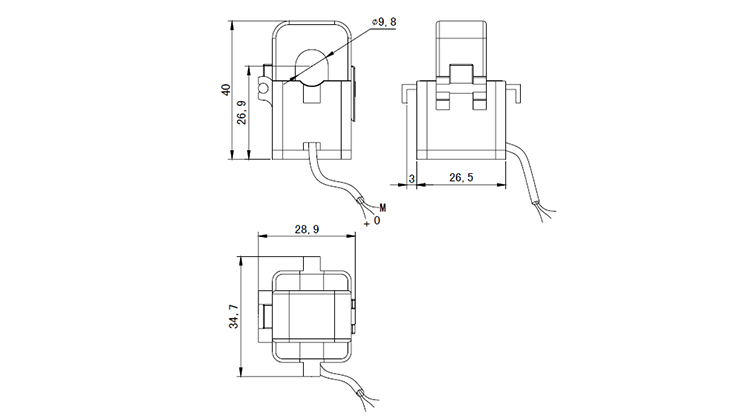
引發高壓斷路器的故障的原因主要集中在其機械特性方面,而斷路器的分合閘線圈及儲能電機的電流波形可以反應卡滯等機械特性方面的異常.基于分合閘線圈電流信號的高壓斷路器在線監測系統,實時監測斷路器分合閘線圈及儲能電機的電流波形,分析計算出斷路器的機械特性參數,顯示高壓斷路器操動系統的性能狀態,從而診斷出斷路器潛伏性機械故障,為實現高壓斷路器的狀態檢修提供了一種有效的技術手段。合分閘線圈的電流測量需要傳感器具有較快的響應時間,而且要求具有容易現場安裝的特點,柏艾斯推薦使用HZIA-C0C系列開環式電流傳感器,基于專用ASIC,引線可調整長度,適合現場安裝使用。
上一篇:智能電網中測量高壓斷路器線圈電流需要什么樣傳感器? 下一篇:鐵路能量回饋系統的電流和電壓怎么測量?
【推薦閱讀】
- 2020-03-30電加熱行業應如何選用合適的電流傳感器?
- 2020-03-30如何在實驗室簡單實現半波電流的波形?
- 2020-03-27怎樣測量半波整流波形,即脈沖直流電流的有效值大小?
- 2020-01-10LT100-P/SP42是一款什么產品,有沒有替代品?
- 2019-11-12如何判斷閉環霍爾電流傳感器的斷電或斷線狀態?
- 2019-08-02電磁加熱設備(中高頻加熱電源)用什么電流傳感器合適?
責任編輯:柏艾斯編輯部
版權所有:http://www.cqkckf.com 轉載請注明出處
本文標簽:電流變送器 電流傳感器 電壓傳感器 電壓變送器 功率變送器 羅氏線圈
熱點聚焦
24小時定制電話:010-89494921






